V čem se liší elektrický kontaktní manometr od běžného manometru z hlediska ceny?
Jak se liší elektrický kontaktní tlakoměr od běžného tlakoměru z hlediska ceny? Měl bych si jej vybrat, nebo ne?
V oblasti měřicí techniky jsou standardní tlakoměry jednoduché konstrukce, ekonomické, spolehlivé a široce používané. Pokud však potřebujeme na základě tlaku řídit procesy nebo aktivovat alarmy, jsou nezbytné elektrické kontaktní tlakoměry. Proč přidání funkce „elektrického kontaktu“ výrazně zvyšuje cenu? Tento článek analyzuje rozdíl v ceně ze čtyř hledisek.
1 Skladba konstrukce
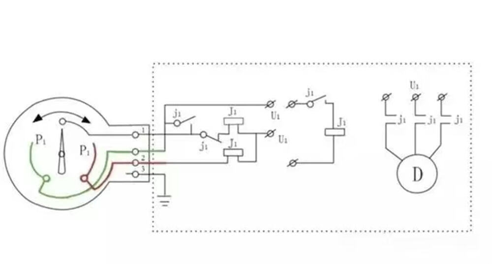
Elektrický kontaktní tlakoměr: I skládá se z měřicího systému, ukazovacího systému, magnetoelektrického kontaktního zařízení, skříně, regulačního zařízení a svorkovnice (zásuvky). Tlakoměr Comfy Basics je doplněn o elektrické kontaktní zařízení, které zahrnuje signální jehlu s elektrickým kontaktem a nastavitelný permanentní magnet.

Běžný tlakoměr: Obvykle se skládá z dílů, jako je skříňka, pružinová trubice, pevný konec, táhlo, vějířové ozubené kolo, malé ozubené kolo, ručičky, spirálová pružina a spojka trubice.


2 Princip činnosti
Elektrický kontaktní tlakoměr: Na základě pružinové trubice, která se působením tlaku měřeného média pružně deformuje a posouvá. Tímto pohybem, přenášeným přes táhlo a ozubený převod, dojde k vyvolání pohybu ovládacího úchytu (spolu s kontaktem), který je následně přenášen na ručičku ukazující na číselníku.

Když se ručička dotkne kontaktu na nastavovací jehle (horní nebo dolní mez), obvod řídicího systému se rozpojí nebo spojí, čímž se dosáhne automatické regulace a signalizace poplachu.

Běžný tlakoměr: Prostřednictvím pružné deformace citlivého elementu, jako je Bourdonova trubice uvnitř měřidla, se pružná deformace Bourdonovy trubice převádí vnitřním mechanismem měřidla na rotační pohyb, čímž se ručička vychyluje a ukazuje tlak.

3 Funkční použití
Elektrický kontaktní tlakoměr: Umožňuje automatickou kontrolu a funkce alarmu a je široce využíván v průmyslových odvětvích jako jsou petrochemie, chemický průmysl, metalurgie, elektrotechnika, strojírenství, nebo jako součást elektromechanických zařízení pro automatickou kontrolu a signalizaci poplachu sledovaného tlakového systému.

Běžný tlakoměr: Hlavně slouží k místnímu zobrazení tlaku, vhodný pro měření tlaku a vakua kapalin, plynů nebo par, které nejsou výbušné, nekřeštalizující, nesycující a nekorozivní vůči mědi a slitinám mědi.

4 Přesnost a spolehlivost
Elektrický kontaktní tlakoměr: Obecně dosahují přesnostní úrovně až do třídy 1,6 a některé vysoce přesné modely splňují ještě přesnější měření. Díky použití elektrického přenosu signálu a mechanické kontaktové konstrukce mají vysokou spolehlivost a jsou relativně odolné vůči vlivům prostředí.
Běžný tlakoměr: Úrovně přesnosti zahrnují třídu 1,0, třídu 1,6, třídu 2,5, třídu 4,0 atd. Za běžných podmínek použití splňují obecné požadavky na měření, ale jsou výrazně ovlivněny vlivy prostředí, jako je vibrace a teplota.
5 Cena Náklady
Elektrický kontaktní tlakoměr: Kvůli své elektrické řídicí funkci a složitější konstrukci je cena relativně vysoká.
Běžný tlakoměr: Konstrukce je jednoduchá, výrobní proces je vyzrálý a cena je relativně nízká.
6 Doporučení pro výběr – Určete podle aplikačních scénářů
Elektrický kontaktní tlakoměr: Automatické řízení zařízení: např. start a zastavení kompresoru vzduchu (zastavení na horní mezi, start na dolní mezi), řízení čerpadla, řízení pojistného ventilu kotle.
Upozornění překročení meze: Nadměrný tlak v tlakové nádobě a mazacím systému spustí zvukové a vizuální poplachy.
Jednoduché blokování: zakázat spuštění zařízení při nedostatečném tlaku a uzavřít ventil, když tlak překročí mez.
Nezávislý bezpečnostní okruh: Jako pevně zapojená záložní ochrana při selhání PLC/DCS přímo aktivuje bezpečnostní zařízení (např. nouzové uzavírací ventily), aby splňovala požadavky na funkční bezpečnost (SIL).
Běžný tlakoměr: Na místě je vyžadováno pouze manuální pozorování tlakových hodnot.
Tlaková hodnota slouží pouze pro záznam a referenci a nevyžaduje žádné propojení s vybavením.
Rozpočet je omezený a řídicí/alarmové funkce jsou plně realizovány nadřazeným systémem (např. PLC/DCS) (s výjimkou klíčového bezpečnostního okruhu).
EN
AR
HR
CS
NL
FR
DE
IT
JA
KO
NO
PL
PT
RO
RU
ES
SV
TL
ID
VI
MT
TH
TR
AF
MS
AZ
